Quantität:

0


Insgesamt:

0,00

B2B

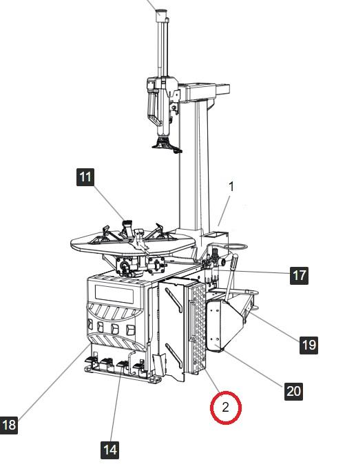
STRANSKA GUMA - Za montirni stroj CORGHI

STRANSKA GUMA - Za montirni stroj CORGHIDas Bild ist symbolisch. Verpackung und Farbe des Produkts können je nach Serie oder gewählter Version variieren.
  • STRANSKA GUMA - Za montirni stroj CORGHI
    • Artikelnummer:

      01580

    • Einheit:

      kos

    • Marke:

      CORGHI

    Lagerbestand: Auf Lager